Call (800) 952-1973

Prev
Next

(2) National 110 UE Drilling Rigs for Sale

New Reduced Price: $3,900,000 Each

Sister Rigs, Currently Working!
$4.5M Now Reduced to $3.9M

NEW PRICE REDUCTION, GREAT BUY!
Located New Mexico

NOW ACCEPTING OFFERS
Call to Inspect and Buy Today!!!
Call NOW! (800) 952-1973

Listing Details

 

RIG 2
DRAWWORKS

National P-110UE

Input Power: 1,500 hp

Main Brake: 1,500 hp Baylor Break 6032 (Dynomatic) Aux Parking Brakes: OWI band brake system

 

SUBSTRUCTURE

OWI Box on Box Floor Height: 28’

Clear Height (beneath rotary beams): 23’ Rotary Capacity: 1,000,000 lbs.

Max Pipe Setback: 750,000 lbs.

 

MAST

142’ OWI

Drill Line: 1-3/8”

Racking Capacity: 22,000’ of 5 ½ DP

 

WALKING SYSTEM

OWI Stealth Stompers

 

HYDRAULIC CATWALK

Forum Pipe Wrangler

 

MUD PUMP #1

Gardner Denver PZ-11 Stroke: 11”

Input Power: (1) 1,600

Pressure Rating: 7,500 psi (51.7 MPa)

 

MUD PUMP #2

Gardner Denver PZ-11 Stroke: 11”

Input Power: (1) 1,600

Pressure Rating: 7,500 psi (51.7 MPa)

 

MUD PUMP #3

Gardner Denver PZ-11 Stroke: 11”

Input Power: (1) 1,600

Pressure Rating: 7,500 psi (51.7 MPa)

 

MUD TANKS

Three Tanks w/ 1,100 bbls total capacity Shakers: (2x) Derrick Shale Shakers

Mud Gas Separator: (x1) Mi Swaco 48” (122cm) OD x 120” (305cm) tall

Trip Tanks: 80 bbls

  BOP

13 5/8 Shaffer Annular 5000psi

13 5/8 Cameron Type-U Double Ram 10000psi 13 5/8 Cameron Type -U Single 10000psi

 

MANIFOLD

Total Oilfield 4 1/16 HCR with 4 1/16 x 2 1/16 wings 10000 Manual Chokes

 

ACCUMULATOR

Scarbrough 400 Gallons 7stations, (x4) pneumatic pumps and (x1) electric triplex pump

 

TOP DRIVE

CanRig 1250 AC 500 Ton Max Speed: 225 rpm Continuous Drill Torque: 65,300 ft-lbs.

Max Torque (Make/Break): 95,000/ 128,800 ft-lbs.

(2) 400 hp AC induction motor & drive system w/ PLC Integral 525 ton big shorty 5x42 block assembly

 

ROTARY TABLE

Gardner Denver 27.5

 

POWER SYSTEM

(3) 3512 Caterpillar

Max hp 1500

Max Torque 4580

Max RPM 1200

1365 KW x 3

SCR House

Armoron 3X4 with Auto Start, Auto Sync, and 3 Pump Capacity

Hydraulic CatWalk

Forum Pipewrangler

Miscellaneous

Water Tank: 1,000 bbls Fuel Tank: 12,000 Gals Screw Compressor - None at this time

 

TOOL / STORAGE / CAMP

Parts Storage Room and Tool House Room Rig Manager Trailer: One 14’ x 62’ Mobil Home

 

PIPE (Not Included but can be negotiated for additional price)

600 – 5”- 19.50 – S135

600 – 5”- 19.50 – G105

COLLARS (Not Included but can be negotiated for additional price)

600’ – 8” – 2.25” ID – 6 5/8” Reg

1000 – 6 ½” – 2.25 ID – 4 ½ XH


 



 

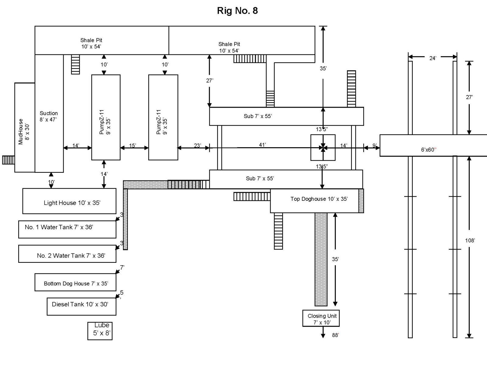
RIG 8
DRAWWORKS

OWI 1500 Type National 110

Input Power: 1500 hp

Main Brake: 1,500 hp Baylor Break 6032 (Dynomatic) Aux Parking Brakes: OWI band brake system

 

SUBSTRUCTURE

OWI Box on Box Floor Height: 25’

Clear Height (beneath rotary beams): 22’ KB 25’

Rotary Capacity: 1,000,000 lbs. Max Pipe Setback: 600,000 lbs.

 

MAST

142’ OWI

Drill Line: 1-3/8”

Racking Capacity: 23,000’ of 5” DP

 

WALKING SYSTEM

OWI Stealth Stompers

 

HYDRAULIC CATWALK

Forum Pipe Wrangler

 

MUD PUMP #1

Gardner Denver PZ-11 Stroke: 11”

Input Power: (1) 1,600

Pressure Rating: 7,500 psi (51.7 MPa)

 

MUD PUMP #2

Gardner Denver PZ-11 Stroke: 11”

Input Power: (1) 1,600

Pressure Rating: 7,500 psi (51.7 MPa)

 

MUD PUMP #3

Gardner Denver PZ-11 Stroke: 11”

Input Power: (1) 1,600

Pressure Rating: 7,500 psi (51.7 MPa)

 

MUD TANKS

Two Tanks w/ 800 bbls total capacity Shakers: (2x) King Cobra Brant

Mud Gas Separator: (x1) PRW 48” (122cm) OD x 120” (305cm) tall

Trip Tanks: 120 bbls

 

SCALPING TANK (Optional)

Main Tank 200 bbls

 

BOP

13 5/8” Shaffer Annular 5000psi

13 5/8” Cameron Type-U Double Ram 10,000psi 13 5/8” Cameron Type -U Single Ram 10,000psi

 

MANIFOLD

Total Oilfield 4 1/16 HCR with 4 1/16 x 3 1/16 wings 5000 Manual Chokes

 

ACCUMULATOR

Koomey 400 Gallons 8 stations, (x3) pneumatic pumps and (x1) electric triplex pump

 

TOP DRIVE

NOV TDS11 800 Ton Max Speed: 220 rpm Continuous Drill Torque: 37,000 ft-lbs.

Max Torque (Make/Break): 55,000 ft-lbs.

800hp AC induction motor & drive system w/ PLC Integral 525 ton Big Shorty block assembly

 

ROTARY TABLE

Ideal 27.5 500ton Chain Driven

 

POWER SYSTEM

(3) 3512 Caterpillar

Max hp 1500

Max Torque 4580

Max RPM 1200

1100 KW x 3

 

SCR HOUSE

IPS 3x4

 

MISCELLANEOUS

Water Tank: 1,000 bbls Fuel Tank: N/A Screw Compressor (x2) FS Curtis RSD-50HP

 

TOOL / STORAGE / CAMP

Parts Storage Room and Tool House Room Rig Manager Trailer: One 14’ x 62’ Mobil Home

 

PIPE (Not Included but can be negotiated for additional price)

600 Joints – 5”- 19.50 – S135

COLLARS (Not Included but can be negotiated for additional price)

1000’ – 8” – 2.25” ID – 6 5/8” Reg

600 – 6 ½” – 2.25 ID – 4 ½ XH

 

 

 

 

 

Listing No. 419